蝶閥
產品概述
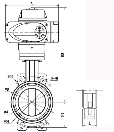
電動對夾蝶閥是用隨閥柑轉動的圓形蝶板做啟閉性,以實現啟用動作的氣動閥門主要做截斷閥使用,亦可設計成具有調節或段閥兼調節的功能,目前蝶閥在低壓大中口徑管道上的使用越來越多。
對夾式電動蝶閥
特征
1、設計新穎、合理、結構獨特,重量輕,啟閉迅速。
2、操力矩小,操作方便,省力靈巧。
3、可以任何位置安裝,維修方便。
4、密封件可以更換,密封性能可靠達到雙向密封零泄漏。
5、密封材料耐老化、耐弱腐蝕,使用壽命長等特點。
設計標準:GB/T2238-1989
法蘭連接尺寸:GB/T9113.1-2000;GB/T9115.1-2000;JB78
結構長度:GB/T12221-1989
壓力試驗:GB/T13927-1992;JB/T9092-1999
案例展示更多>>

0551-65579181
客戶案例
©2015-2019 合肥軼博羅工控設備有限公司 皖ICP備13007160號-2 技術支持:安徽睿成網絡
友情鏈接: 安徽工作服 油浴鍋生產廠家 冷凍濃縮儀 酒石酸氫鉀生產廠家 噴漆廠房廢氣處理設備 噴霧冷卻塔風機 彩色溫控儀 合肥情感咨詢 瑞士魚牌VALLORBE銼刀 鬼屋制作安裝 江蘇電動叉車