蝶閥
氣動硬密封對夾蝶閥
產品型號:D643H
公稱通徑:DN50~DN1200
公稱壓力:1.0MPa~1.6MPa
連接方式:對夾式
材質:WCB、不銹鋼
適用溫度:-40~+425℃
適用介質:氣體、水油等(高溫場合)
氣動執行器:雙作用、單作用
用途:用來切斷或調節各種腐蝕性和非腐蝕性介質
氣動硬密封對夾蝶閥產品概述
氣動硬密封蝶閥采用三維偏心結構,蝶板為軟硬層疊式金屬片,具有金屬硬密封和彈性密封的雙重優點。具有雙向密封功能,安裝時不受介質流向的限制,也不受空間位置的影響,可在任何方向安裝。 氣動硬密封蝶閥被廣泛用于介質溫度≤425℃的冶金、電力、石油、化工等工業管道上,做調節流量和截斷流體使用。
氣動硬密封對夾蝶閥特征
1、金屬密封可適用于帶稍許顆粒、漿液的介質中
2、適用溫度可達425℃
3、密封時幾乎無摩擦,保證扭矩更小,密封性更好
4、法蘭對夾孔連接適用多種標準
氣動硬密封對夾蝶閥執行機構
采用新型系列GT型氣動執行器,有雙作用式和單作用式(彈簧復位),齒輪傳動,安全可靠;大口徑閥門采用系列AW型氣動執行器拔叉式傳動,結構合理,輸出扭矩大,有雙作用式和單作用式。
1、齒輪式雙活塞,輸出力矩大,體積小。
2、氣缸選用鋁金材料,重量輕、外形美觀。
3、可在頂部、底部安裝手動操作機構。
4、齒條式連接可調節開啟角度、額定流量。
5、執行器可選帶電訊號反饋指示及各類附件以實現自動化操作。
6、IS05211標準連接為產品的安裝更換提供了方便。
7、兩端調的節螺釘可使標準產品在0°和90°有±4°的可調范圍。確保與閥門的同步精度。
氣動硬密封對夾蝶閥技術參數和性能
|
GTD/ATD氣動執行器技術參數 |
氣動硬密封蝶閥閥體參數 |
||
|
類 型 |
雙作用活塞式、彈簧復位式 |
公稱通徑 |
DN50~400mm |
|
氣源壓力 |
雙作用:2-8bar/單作用:4-8bar |
公稱壓力 |
PN1.6、2.5MPa |
|
輸出力矩 |
雙作用:4N·M~10560N·M |
閥軸材質 |
碳素鋼、304/316/316L不銹鋼 |
|
單作用:7N·M~2668N·M |
閥體材質 |
碳素鋼、合金鋼、不銹鋼 |
|
|
工作溫度 |
常溫型:-20℃~80℃(丁腈橡膠O型圈) |
閥板材質 |
碳素鋼、合金鋼、不銹鋼 |
|
高溫型:-20℃~160℃(氟橡膠O型圈) |
閥座密封 |
不銹鋼 |
|
|
動作范圍 |
0~90°±5° |
結構形式 |
三維偏心 |
|
接口螺紋 |
GTD40~GTD83/ATD50~ATD88 G1/8″ |
溫度 |
≤425℃ |
|
GTD110~GTD350/ATD100~200 G1/4″ |
適用介質 |
水、空氣、天然氣、油品及弱腐蝕性流體 |
|
|
閥位信號 |
定位器:4~20mA/回信器:全開全關信號 |
特點 |
零泄漏、使用壽命長、便于安裝、耐高溫高壓 |
|
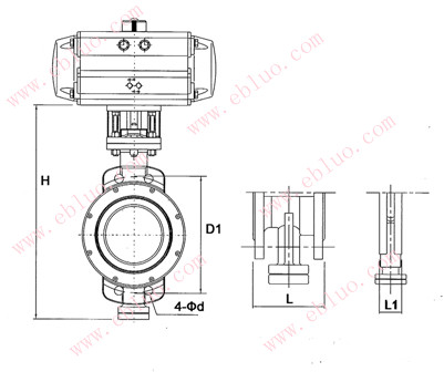
公稱通徑(mm) |
尺寸(mm) |
||||||
|
L |
L1 |
H |
1.6Mpa |
2.5Mpa |
|||
|
D1 |
4-Φd |
D1 |
4-Φd |
||||
|
50 |
43 |
108 |
245 |
125 |
4-18 |
125 |
4-18 |
|
65 |
46 |
112 |
250 |
145 |
4-18 |
145 |
4-18 |
|
80 |
46 |
114 |
350 |
160 |
4-18 |
160 |
4-18 |
|
100 |
52 |
127 |
380 |
180 |
4-18 |
190 |
4-22 |
|
125 |
56 |
140 |
410 |
210 |
4-18 |
220 |
4-26 |
|
150 |
56 |
140 |
490 |
240 |
4-22 |
250 |
4-26 |
|
200 |
60 |
152 |
560 |
295 |
4-22 |
310 |
4-26 |
|
250 |
68 |
165 |
621 |
355 |
4-26 |
370 |
4-30 |
|
300 |
78 |
178 |
680 |
410 |
4-26 |
430 |
4-30 |
|
350 |
78 |
190 |
757 |
470 |
4-26 |
490 |
4-33 |
|
400 |
102 |
216 |
825 |
525 |
4-30 |
550 |
4-36 |
|
450 |
114 |
222 |
925 |
585 |
4-30 |
600 |
4-36 |
|
500 |
127 |
229 |
1010 |
650 |
4-33 |
660 |
4-36 |
|
600 |
154 |
267 |
1180 |
770 |
4-36 |
770 |
4-39 |
案例展示更多>>

0551-65579181
客戶案例
©2015-2019 合肥軼博羅工控設備有限公司 皖ICP備13007160號-2 技術支持:安徽睿成網絡
友情鏈接: 安徽工作服 油浴鍋生產廠家 冷凍濃縮儀 酒石酸氫鉀生產廠家 噴漆廠房廢氣處理設備 噴霧冷卻塔風機 彩色溫控儀 合肥情感咨詢 瑞士魚牌VALLORBE銼刀 鬼屋制作安裝 江蘇電動叉車